Перейти к публикации

третий ряд сидений ... чем запрограммировать- наличие


Рекомендованные сообщения

Опубликовано:

есть кадиллак 2007 srx не мой , но приятеля ..по случаю купили второй но дорестал с убитым двигателем и малость некомплектный *продаван спиндил фару задние амотртизаторы , и какието блоки в бардачке

но это другая история там дело до суда дошло ...скоро б удем знать кто есть кто

знчит  в купленом авто есть третий ряд сидений.... .

мы его со всей проводкой аккуратно перетащили в его авто ..

один штекер в рестайле8 проводников в дорестайле 6 .. переставил все благо амеры цветами проводки не играются

засада не пашет... проверил моторы все , конечник на крышке когда ряд занимает крайние положения  ,геркон  ,что крышка сложена. всю проводку прозвонил , питание ,,,кнопки все в ажуре

 

с дуру  купили и поменяли модуль управления третьим рядом.... таже песня...

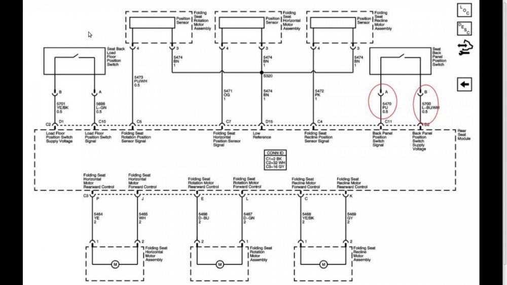
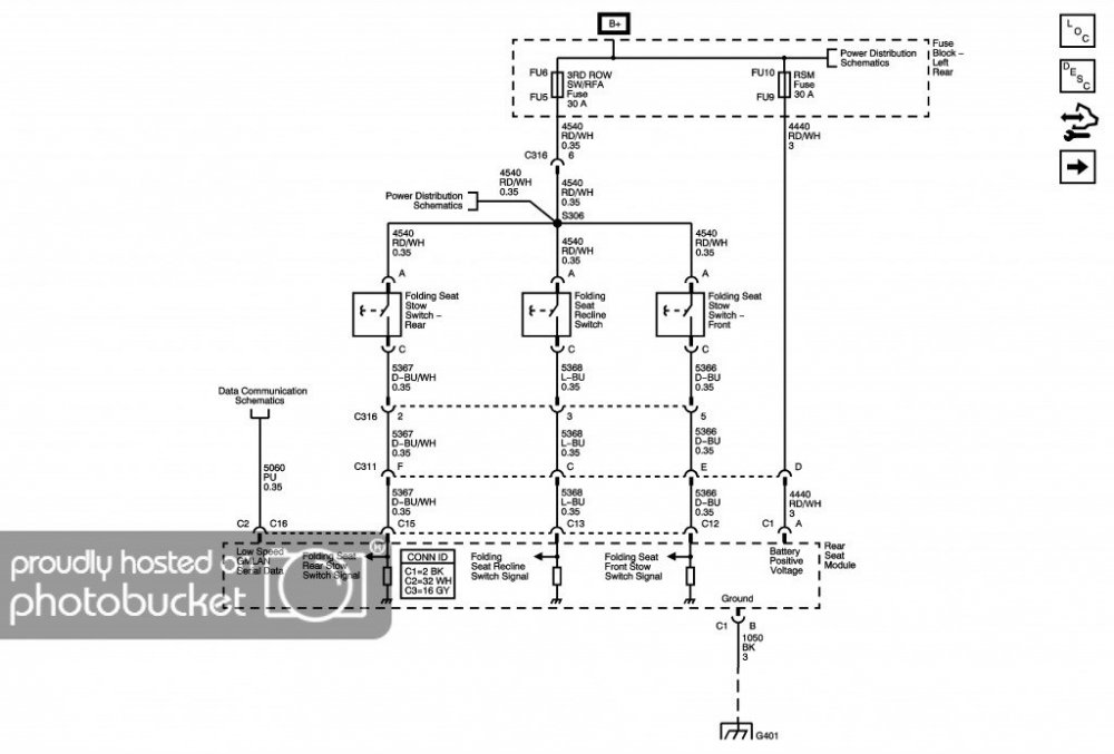
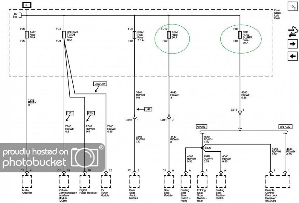
 долго шарился по инету и вот у амеров  на форуме надыбал схемы третьего ряда

 и тут вырисовывается , что фиолетовый провод есть низкоскоростная дженерал мотор последовательная шина даных. чтото типа к line

kaк я понимаю получается третий ряд должен быть активирован в body control ḿodule?

 

кто владеет информаций  аль чего подсказать может .. шнурок прибор и софт?

 

 

 

j_zps5ffe155c.jpg

indeббx.jpeg

дгдггг.jpeg

ддд.jpeg

  • 5 лет спустя...
  • 1 год спустя...

Присоединяйтесь к обсуждению

Вы можете опубликовать сообщение сейчас, а зарегистрироваться позже. Если у вас есть аккаунт, войдите в него для написания от своего имени.

Гость
Ответить в тему...

×   Вставлено в виде отформатированного текста.   Вставить в виде обычного текста

  Разрешено не более 75 эмодзи.

×   Ваша ссылка была автоматически встроена.   Отобразить как ссылку

×   Ваш предыдущий контент был восстановлен.   Очистить редактор

×   Вы не можете вставить изображения напрямую. Загрузите или вставьте изображения по ссылке.

×
×
  • Создать...