-
Публикации
210 -
Зарегистрирован
-
Посещение
Тип публикации
Профили
Форум
Галерея
Articles
Файлы
Календарь
Все публикации пользователя lea_ekaburg
-
Согласен, нагрузки большие. Странно, что ни в сервисной бюллетени, ни в инструкции ничего не сказано. Сейчас всё стоит родное, с завода, пробег подходит к 100 тыс.
-
Обманки 2-ой лямбды после среза катализаторов
lea_ekaburg ответил в тему пользователя МедведьСаня1543281221 в CTS I 2003 г. — 2007 г.
я сейчас тоже на 98 перешел, но сие фото заставило задуматься, а не вернуться ли на 92?? -
Что за комплект, где смотреть? Ещё вопрос: в сервисном буклете по регламентному обслуживанию нет ни слова про замену ГРМ, только фраза про проверку состояния ремня привода навесных агрегатов (80,160 и 240 тыс. км). А в примечании сказано, что ремень привода ГРМ менять при указанном пробеге, либо через каждые 96 месяцев. Какой он, этот рекомендуемый пробег?
-
практически все цены брал на экзисте для Екатеринбурга, всё оригинал, зачастую с доставкой по 17 дней.
-
Подытожу: 09128500 - ремень ГРМ (2838) 93170387 - паразитный ролик (3090) 24449772 - натяжитель ремня ГРМ в сборе (9926) 24441692 - приводной ремень (1896) 09202550 - ролик натяжитель (2688) 55352002 - насос охлаждающей жидкости (3642) 90354908 - прокладка насоса ОЖ (233) 90322669 - сальник коленвала (1081) Итого набралось на 25400 без работы примерно. Не мало однако
-
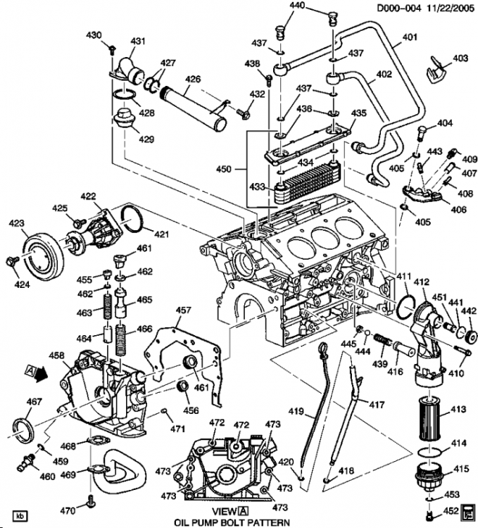
Все, что перечислено ниже - это в дополнении к моему списку или только указанные детали?? Помпа я так понимаю на рис.1 под номером 337? Сальник 467 на рис.3? Насколько сложна его замена? На чём можно тогда в этом наборе сэкономить или лучше ставить всё без исключения родное?
-
1. Что меняется на новое при плановой замене ГРМ? ремень-313(рис.1) и ролики - 308,326,316,302,319,320 - что лишнее и чего не хватает? 2. Какие есть надёжные аналоги? (кто менял, поделитесь опытом). 3. Одновременно, я так понимаю, меняют и приводной ремень - 3(рис.2)? Что упустил?
-
Прикуриватель
lea_ekaburg ответил в тему пользователя МедведьСаня1543281221 в CTS I 2003 г. — 2007 г.
Теоретически с изменением температуры ничего не должно измениться, по крайней мере в условиях обычных температурных перепадов. А вот вставить в прикуриватель неправильно зарядник можно. -
CTS 2.6 ПОМОГИТЕ С ЭЛЕКТРИКОЙ!
lea_ekaburg ответил в тему пользователя Владислав в CTS I 2003 г. — 2007 г.
А аккумулятор новый поставить не пробовали или старый проверить? -
Расход топлива 3.2 АКПП 2003-2007
lea_ekaburg ответил в тему пользователя МедведьСаня1543281221 в CTS I 2003 г. — 2007 г.
Я отпишусь. Датчик массового расхода воздуха. На схеме под №2. Действительно ли может снизить расход топлива замена этого датчика на новый? Цена вопроса порядка 5500руб. -
CTS 2.6 ПОМОГИТЕ С ЭЛЕКТРИКОЙ!
lea_ekaburg ответил в тему пользователя Владислав в CTS I 2003 г. — 2007 г.
А каким таким образом и в сервисе при замене датчика КУ и на мойке у Владислава сорвали "башню"? Что теперь на мойку не ездить? Или движок мыли? -
Дым валит из под щупа, и маслозаливной горловины...
lea_ekaburg ответил в тему пользователя МедведьСаня1543281221 в CTS I 2003 г. — 2007 г.
Думаю климат. Проблема медленно начинает давать знать о себе при температурах от -20...-25 и ниже. В официальной бюллетени по установке ремкомплекта так и сказано. -
Дым валит из под щупа, и маслозаливной горловины...
lea_ekaburg ответил в тему пользователя МедведьСаня1543281221 в CTS I 2003 г. — 2007 г.
А зачем менять канистру 1? Не достаточно прочистить ее? -
manual тут у всех на английском есть. в книжно-русском есть также и у меня, но нужно сканировать. настройки зеркала тов. сандалет описал.
-
Пора менять колодки...
lea_ekaburg ответил в тему пользователя lea_ekaburg в CTS I 2003 г. — 2007 г.
2168руб за CMX921. Т.е. берешь комплект и меняешь на всех четырех колесах, я правильно понял? Не имеет знаечения задние и передние? -
Пора менять колодки...
lea_ekaburg ответил в тему пользователя lea_ekaburg в CTS I 2003 г. — 2007 г.
Нашел каталог, но какие подойдут мне: CMX921,922? http://www.showmetheparts.com/frictionmaster/ http://www.zamenikolodki.ru/inphormacija-o-magazine.html тут смотри, в наличии и каталог для подбора Подходят те, что выше написал. Как они идут в комплекте: 4шт. назад и вперед? -
Пора менять колодки...
lea_ekaburg ответил в тему пользователя lea_ekaburg в CTS I 2003 г. — 2007 г.
Нашел каталог, но какие подойдут мне: CMX921,922? http://www.showmetheparts.com/frictionmaster/ -
Пора менять колодки...
lea_ekaburg ответил в тему пользователя lea_ekaburg в CTS I 2003 г. — 2007 г.
Как определить, что подойдет? -
Собственно, есть ли достойная замена оригиналу? Передние и задние дисковые в комплекте 4шт: GM 89047725
-
Ксенон заменить на Галоген ? (CTS 2006 3.6 RWD )
lea_ekaburg ответил в тему пользователя Hightower в CTS I 2003 г. — 2007 г.
А по-моему заняться нечем. Мы уже доходим до того, что начинаем напичкивать Кадиллак всем чем можно и, порою, не нужно. Штатный кснон светит вполне приемлемо, а если Вы хотите, чтобы дорогу поливало как днем, то поставьте себе на крышу перекладину с дюжиной прожекторов от внедорожника и радуйтесь. Замена ламп головного света D1S от Osram, скажем, выльется в 3000р - вполне недорого. И не забывайте, как ваши галогены воспринимаются встречным транспортом: вроде фокус хороший, но ослепляет все равно. Вам хорошо, а другим не очень. Никогда световой поток от галогенов не будет столь четким и прямолинейно направленным, как у ксенона. В общем, считаю, что подобные фары-примочки сделаны для тех, кто хочет выглядеть на дороге особенным. Что, приелся Кадиллак уже? Тогда ставь вариант выше )) -
Менял масло двигателя в двух разных местах (см. фото): слева - канистра с остатком масла, которое заливалось постоянно, справа - масло для меня новое, на долив. Как видно, этикетки разные. 1. В чём отличие масел? 2. Можно ли использовать отдельно первое, отдельно второе? 3. Можно ли смешивать? 4. Какое лить предпочтительнее? 5. Есть ли официальная замена этих масел по допускам?
-
Лампа ближнего цвета - D1S. Чтобы добраться до нее надо отсоединить патрубок (что самый толстый) от коробки с воздушным фильтром, предварительно отсоединив датчик воздуха, подсоединенный к этому патрубку. Открутить 3 винта, что держат коробку с воздушным фильтром. Извлечь коробку из моторного отсека. Подобраться с тыльной стороны фары к одной из двух (к большей сверху) черной заглушке. Открутить против часовой стрелки и вытащить заглушку. Запомнить перед извлечением лампы,как внутри фары она зафиксирована с помощью скобы и в каком положении. Извлечь лампу аккуратно. Отсоединить кабель не менее аккуратно. При работах соблюдать максимально возможную чистоту.
-
Дым валит из под щупа, и маслозаливной горловины...
lea_ekaburg ответил в тему пользователя МедведьСаня1543281221 в CTS I 2003 г. — 2007 г.
как определили, что течь исчезла? в холодное время года, насколько я понял, наиболее ощущается запах горелого масла. как закреплен D1S и можно ли ссылочку на него? -
что то странное твориться с моим кадилаком!
lea_ekaburg ответил в тему пользователя den1543281224 в CTS I 2003 г. — 2007 г.
дпдз - датчик положения дроссельной заслонки -
Дым валит из под щупа, и маслозаливной горловины...
lea_ekaburg ответил в тему пользователя МедведьСаня1543281221 в CTS I 2003 г. — 2007 г.
Opel Omega B 2.5L бенз. мотор X25XE? От этого двигателя и на какой движок кадиллаковский подходят?
