BullDozer73
Newbie-
Публикации
23 -
Зарегистрирован
-
Посещение
-
Дней в лидерах
7
Последний раз BullDozer73 выиграл 21 июля 2024
Публикации BullDozer73 были самыми популярными!
Дополнительная информация
-
Город
Димитровград
-
Настоящее имя
Денис
-
А/м
GMC Acadia 2017
-
Год выпуска а/м
2017
-
Гос. номер
Н178СЕ73
-
Instagram
denis_konoshanov
-
Facebook
denis_konoshanov
-
Drive2
BullDozer73
BullDozer73's Achievements
12
Репутация
-
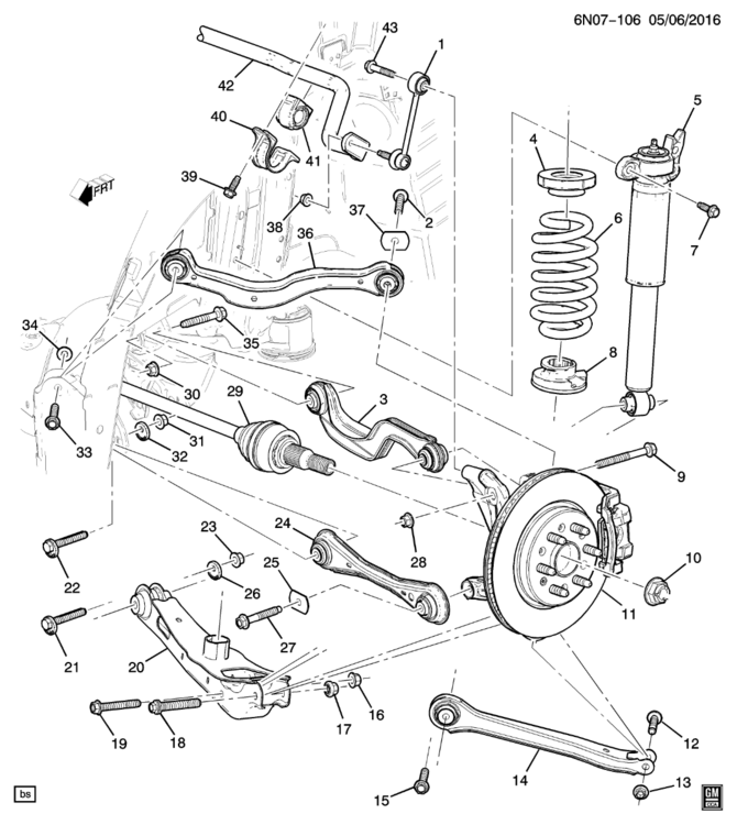
Добрый день! Нашел на Алишке те самые сайленты задней цапфы (кулака) https://aliexpress.ru/item/1005007481802014.html?spm=a2g2w.detail.pers_rcmd.1.3b521a9b9LEIwW&mixer_rcmd_bucket_id=aerabtestalgoRecommendAbV2_controlRu1&pdp_trigger_item_id=0_1005005954596066&ru_algo_pv_id=fb9dfc-476f2e-bd2a91-100919-1728561600&scenario=pcDetailBottomMoreOtherSeller&sku_id=12000040928767027&traffic_source=recommendation&type_rcmd=core
-
Добрый день! После посещения сервиса уточняю: 1) Плавающий сайлентблок (он же шаровая) Otoform/FormPart 1203015 к развальному рычагу позиции 24 (см. схемы постом выше) со стороны центра авто ПОДХОДИТ!!! Встал там как и был! Единственное перед установкой внутрь под манжеты набил смазки ШРБ-4, т.к. родной смазки внутри было крайне мало! 2) Неплавающий сайлентблок Lemforder 29820 01 к развальному рычагу позиции 24 со стороны цапфы (заднего кулака) авто НЕ ПОДХОДИТ!!! Родной сайлентблок идет конусной формы, а не цилиндрической!!! Единственное, что данный сайлентблок как временную меру можно поставить взамен плавающего по пункту 1). 3) Плавающий сайлентблок цапфы (заднего кулака) под номером 84005268 все же заменили, т.к. жуткий скрип исходил именно от него! И он нам ПОДХОДИТ!!!
-
Пока еще не добрался до сервиса для подтверждения своей теории! Данные сайлентблоки подбираются к развальному рычагу позиции 24 (каталожный номер 84606181, 84325913). Плавающий сайлентблок стоит на рычаге к центру авто, неплавающий стоит со стороны цапфы!
-
Добрый день! В продолжении темы замены сайлентблоков на развальных рычагах - так как ранее имел негативный опыт с VTR, то устанавливаемый ранее Лизой сайлентблок BM0904RB исключил для себя. Взамен заказал аналог от BMW 1-3 моделей фирмы Lemforder 29820 01. Позже выяснилось, что это оригинальный производитель-поставщик BMW, но суть не в этом! Сайлентблок оказался неплавающим, но по посадочным размерам как VTR BM0904RB и по конструкции очень схожий на сайлентблок того же развального рычага, находящегося на его противоположной стороне (крепится к задней цапфе). В общем были мысли заменить этими неплавающими сайлентблоками изношенные плавающие на рычаге, но все же 5 точка проголосовала за комфорт! Начал дальнейшие поиски и нашел плавающий Lemforder 30679 01, который коллега с Траверс клаба ставил себе взамен изношенного! Цена его меня не устроила и путем подборок нашел такой же, но уже производства Турции Otoform/FormPart 1203008. Единственное меня смущало, что он подходил только на модели BMW 3-й серии и Z, что никак не билось как аналог VTR BM0904RB и могла быть длинна 57 мм! В итоге еще пошерстив нашел другой номерок, который бился как раз для BMW 1-3 серий. На свой страх и риск решил его заказать - Otoform/FormPart 1203015. По итогам посещения сервиса отпишусь позже! Кстати длинна 47.7 мм, посадочный диаметр 45,2 мм!
-
Добрый день! Подзабыл написать, что купил второй комплект колес и соответственно на него купил комплект датчиков TPMS 13598773 и прибор El-50448 по подвязке их к системе! Сами датчики заказал на Алиэкспресс на частоту 433 Мг, приборчик тоже там же! Выкрутасы по спусканию колес не дали эффекта обучения и решил прибором привязать! Первоначально не получилось привязать прибором, так как прислонял антенну непосредственно к соску датчика, в общем немного напрягся! Но поискав пару дней видео в интернете, нашел видео американского шиномонтажника, который проводил такие же манипуляции с пропиской датчиков, таким же прибором, но он стрелял антенной прибора к диску под соском - то есть непосредственно максимально к датчику! Выставил на работающей машине в приборке закладку с давлением датчиков, включил режим обучения, и начиная с переднего левого колеса (загорится передний левый габарит, далее - по часовой стрелке так же и остальные) прописал датчик, произошел однократный сигнал авто (датчик привязался). Далее загорелся передний правый габарит - прописал (подала сигнал), задний правый габарит - прописал (подала сигнал), задний левый габарит - прописал (подала сигнал). И после прописки последнего колеса машина еще дважды подает сигнал подтверждения прописки всех колес! Надеюсь кому пригодится! Ссылки у кого заказывал прикладываю, но позже нашел и датчики и приборчик на Озоне, даже чуть дешевле! Но там не было отзывов! Ссылка на датчики https://aliexpress.ru/item/4000815180242.html?spm=a2g2w.orderdetail.0.0.1b3c4aa6jZoKKQ&sku_id=12000028420010549 Ссылка на прибор https://aliexpress.ru/item/33053453787.html?spm=a2g2w.orderdetail.0.0.1eab4aa6ijg8A1&sku_id=67440107671
-
Не за что! Буду продолжать дальше искать "альтернативные" пути!:)
-
Предполагаю, что это плавающий сайлентблок поперечного (развального) рычага. Судя по номеру он применяется на таких же рычагах BMW 1-й и 3-й серий, а так же на Х1. У меня как раз вчерашняя ревизия выявила скоропостижную кончину как раз этих сайлентблоков на левом и правом рычаге. Буду пробовать заказывать такие же сайленты, но от Лемфедор! К этому производителю доверия как то больше! Имел дело с точно таким же плавающими сайлентблоками от VTR на свою бывшую Шеви Эпику. Хватило этих сайлентов на полгода - полопались боковые резиновые пыльники и грязь быстро убила начинку!
-
С добрым утром, Уважаемые Соклубники! Ранее писал, что одним автосервисом у меня были приговорены плавающие и неплавающие сайлентблоки цапфы (заднего кулака). В итоге я решил их заменить в другом автосервисе вчера с комплексной заменой некоторых компонентов подвески. Но эти сайлентблоки оказались живее живых! Значит пусть лежат ждут своего часа - все равно когда то он да настанет! Теперь по другим позициям, что я поменял и которые подходят нам: 1) UXCLENT L02411XG79 Рычаг передней подвески нижний правый / Cadillac XT5 17~ 2) UXCLENT L02411XG78 Рычаг передней подвески нижний левый / Cadillac XT5 17~ 3) Teknorot CH-1017 Стойка стабилизатора переднего поперечной устойчивости. Поменял переднюю правую, левую этого же производителя поменял еще год назад. По конструкции 1 в 1 как родные! Установил взамен уставшей стоки стабилизатора от CTR (номер не нашел, видимо предыдущий хозяин менял ранее) 4) CTR CL0698 Стойка стабилизатора заднего поперечной устойчивости. Заменил обе задние - подходят на левую и правую стороны. Ну и до кучи махнул фильтр салона (кондиционера) 5) Asin ASIN.FC2872C Фильтр салонный 13356914/ASIN. FC2872C (угольный)
-
Что в итоге? Заменили? Подошли? У меня начался жуткий скрип и стук! В итоге сегодня на другом сервисе приговорили плавающие сайлентблоки на развальном рычаге (или как его там по другому называется). А плавающий и неплавающий на обеих цапфах живые. Значит пусть лежат ждут своего часа, главное чтоб подошли, а не левак был!
-
Ошибка P0128!!! Это болячка двигателей V6 у всей линейки GM (Acadia, XT6, XT5, Traverse). Список запчастей такой: 1. 12678779 — Engine Coolant Water Outlet — Термостат с большой трубой для охлаждения 2. 55488246 — Engine Coolant Temperature Sensor — Датчик температуры двигателя https://www.drive2.ru/l/670352174441584090/ - там в теме даже видос есть по замене !
- 4 ответа
-
- 1
-
-
US-PARTS.RU - Автозапчасти для американских автомобилей.
BullDozer73 ответил в тему пользователя US-PARTS в Партнеры. Коммерческие предложения
Добрый день! Извините, но вышел уже напрямую на Вас и узнав цену, заказал в другой компании на 10% ниже по стоимости. Рекламировать ее не буду в Вашей ветке! Спасибо за отклик! -
US-PARTS.RU - Автозапчасти для американских автомобилей.
BullDozer73 ответил в тему пользователя US-PARTS в Партнеры. Коммерческие предложения
Добрый день! Тема еще живая? Хотел бы уточнить можно ли заказать юбку бампера 84109975? -
Вот блин, Барыги! Походу тут отслеживают тоже информацию! Извините, получается я им сделал реклму и они цены взвинтили!
-
Да! Я тоже уже готовился заказывать обе цапфы! Но дешевле 38 за обе не нашел! Плюс срок доставки до 30 рабочих дней до Москвы! Ну и неделя до меня плюсом! Ну вот как выше писал наткнулся на сайленты и решил рискнуть!
-
https://parts.gt-shop.ru/parts/GENERAL MOTORS/84107966/ https://magistralplus.com/products/GENERAL MOTORS/84107966.html?v2search=1&source_oem=84107966 Вроде как рисуют, что одна штука где то в Москве есть! Остальные под заказ! У первых я уже заказывал и сейчас опять же заказал на свое авто запчасти (тоже нижнюю решетку, кронштейн и активные шторки в эту нижнюю решетку) - они по крайней мере проверенные и по срокам быстрее всех доставляют! А сроки у всех выставлены в рабочих днях!!! Что примерно в 1,5 раза дольше календарных! P.S. Информация для сведения - отсутствие активных шторок в системе на панели отображается Джеки Чаном! И авто не заводится дистанционно! Подсоединил моторчик от шторок и Джеки Чан пропал и машина стала заводиться!
